File:Pceeg sch vA001 2 23 08.png
Jump to navigation
Jump to search
Pceeg_sch_vA001_2_23_08.png (800 × 580 pixels, file size: 38 KB, MIME type: image/png)
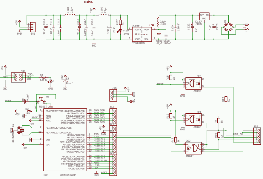
PCEEG schematic from the boardunio design that is a clone of the arduino. Also the modular eeg and monolith eeg. Working on some other improvements... C123 with 1uF is much too small. Use 1000uF or so instead
File history
Click on a date/time to view the file as it appeared at that time.
| Date/Time | Thumbnail | Dimensions | User | Comment | |
|---|---|---|---|---|---|
| current | 18:15, 4 March 2008 | 800 × 580 (38 KB) | Josh eeg (talk | contribs) | ||
| 03:59, 23 February 2008 | 881 × 600 (21 KB) | Josh eeg (talk | contribs) | PCEEG schematic from the boardunio design that is a clone of the arduino. Also the modular eeg and monolith eeg. Working on some other improvements... C123 with 1uF is much too small. Use 1000uF or so instead |
You cannot overwrite this file.
File usage
There are no pages that use this file.
